
Intel
®
E8500 Chipset North Bridge (NB) and eXternal Memory 41
Bridge (XMB) Thermal/Mechanical Design Guide
XMB Reference Thermal Solution
8.6 Reliability Guidelines
Please refer to Section 6.6 for detail.
§
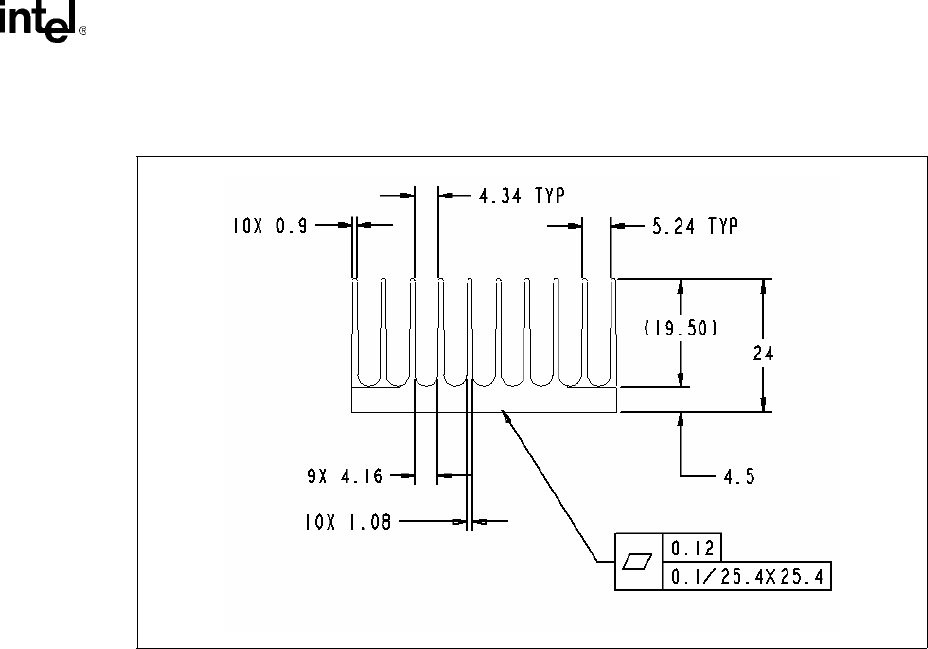
Figure 8-5. XMB Heatsink Extrusion Profile
Comments to this Manuals